伏安法测电阻:
实验原理:
欧姆定律。因此只要用电压表测出电阻两端的电压,用安培表测出通过电流,用R=U/I即可得到阻值。
伏安法测电阻的两种接法: 1、电流表外接法:在电压表的内阻远远大于Rx时,使用(此时I
0≈0);
2、电流表内接法:在电流表的内阻远远小于Rx时,使用(此时V
0≈0)。

3、当待测电阻阻值与电压表、电流表的阻值相差不多时,可根据:R
AR
V>R
x2时,采用电流表外接法;当R
AR
V<R
x2时,采用电流表内接法来确定。(口决:“大内小外”,即内接法适合测大电阻结果偏大,外接法适合测小电阻测量结果偏小)
4、如果不知道R
x,R
V,R
A的阻值,可用试触法,即通过不同的电表连接方式的电路,看电压表电流变化情况。如果电流表变化明显,说明电压表内阻对电路影响大,应选用电流表内接法同理,若电压表变化明显选用电流表外接法(简记为电流内接→电流表变化大;电压外接→电压表变化大)。
滑动变阻器的两种接法:
1、限流电路是将电源和可变电阻串联,通过改变电阻的阻值,以达到改变电路的电流,但电流的改变是有一定范围的。其优点是节省能量;一般在两种控制电路都可以选择的时候,优先考虑限流电路。

2、分压电路是将电源和可变电阻的总值串联起来,再从可变电阻的两个接线柱引出导线。如图,其输出电压由ap之间的电阻决定,这样其输出电压的范围可以从零开始变化到接近于电源的电动势。在下列三种情况下,一定要使用分压电路:
①要求测量数值从零开始变化或在坐标图中画出图线。
②滑动变阻器的总值比待测电阻的阻值小得多。
③电流表和电压表的量程比电路中的电压和电流小。
相关高中物理知识点:实验:练习使用示波器
练习使用示波器:
实验目的:
1、了解示波器面板上各个旋钮和开关的名称和作用,练习使用示波器。
2、利用示波器观察波形。
3、了解示波器的工作原理。
实验原理:
如图所示,示波器的核心部件是示波管,它由电子枪、偏转电极和荧光屏组成,管内抽成真空。
实验器材:
示波器、滑动变阻器、学生电源、开关、导线若干。
实验步骤:
实验步骤参照下图。

1、观察荧光屏上的亮斑并进行调节
①先把灰度调节旋钮逆时针转到底,竖直位移旋钮和水平位移旋钮旋到中间位置,衰减调节旋钮置于“1000”挡,扫描范围旋钮置于“外X”挡;
②打开电源开关,等一两分钟(预热)后,顺时针旋转灰度调节旋钮,屏上即出现一个亮斑,调节该旋钮,使亮斑的亮度适中;
③旋转聚焦调节和辅助聚焦调节旋钮,观察亮斑的变化情况,并使亮斑最圆、最小;
④旋转垂直位移旋钮,观察亮斑上下移动的情况;旋转水平位移旋钮,观察亮斑左右移动的情况。调节这两个旋钮,使亮斑位于荧光屏中心。
2、观察扫描并进行调节
①把X增益旋钮顺时针转到
处,扫描微调旋钮逆时针转到底,扫描范围旋钮置于“10”~“100”挡,可看到亮斑移动的情况;
②顺时针旋转扫描微调旋钮,可看到亮斑移动加快,直至成为一条亮线;
③调节X增益旋钮,可以看到亮线长度随之改变。
3、观察亮斑在竖直方向的偏移并进行调节
①将扫描范围旋钮置于“外X”挡,交直流选择开关拨到“DC”位置;
②按如图所示连接电路;

③将滑动变阻器的滑片滑至适当位置后闭合开关,把衰减调节旋钮逆时针依次转到“100”、“10”和“1”挡,观察亮斑向上偏移的情况;
④调节Y增益旋钮,使亮斑偏移一段适当的距离,再调节滑动变阻器,观察亮斑偏移的距离随输入电压变化的情况;
⑤调换电池的正负极,可以看到亮斑改为向下偏移。
4、观察按正弦规律变化的电压图象
①将扫描范围旋钮置于“10”~“100”挡,衰减调节旋钮置于“
”挡;
②调节扫描微调旋钮,使屏上出现完整且稳定的正弦曲线;
③调节Y增益旋钮(或者X增益旋钮),观察曲线形状沿竖直(或水平)方向的变化情况;
④调节竖直(或水平)位移旋钮,观察曲线整体在竖直(或水平)方向上的移动情况。
5、关机
将灰度调节旋钮逆时针转到底,再断开电源开关。
注意事项:
1、示波器属热电子仪器,要避免频繁开机、关机,否则易损坏仪器。
2、屏上亮斑(或图线)不能过亮,且不应使光斑长时间停留在某点,否则容易损伤荧光屏。
3、 “Y输入”电压不能太高,以免仪器损坏。
相关高中物理知识点:实验:测绘小灯泡的伏安特性曲线
实验目的:
1、描绘小灯泡的伏安特性曲线。
2、理解并检验灯丝电阻随温度升高而增大。
3、掌握仪器的选择和电路连接。
实验原理:
1、根据部分电路欧姆定律,一纯电阻R两端电压U与电流I总有U=I?R,若R为定值时,U—I图线为一过原点的直线。小灯泡的灯丝的电阻率随温度的升高而增大,其电阻也就随温度的升高而增大。而通过小灯泡灯丝的电流越大,灯丝的温度也越高,故小灯泡的伏安特性曲线(U—I曲线)应为曲线。
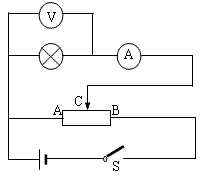
2、小灯泡(3.8V,0.3A)电阻很小,当它与电流表(0.6A)串联时,电流表的分压影响很大,为了准确测出小灯泡的伏安特性曲线,即U、I的值,电流表应采用外接法,为使小灯泡上的电压能从0开始连续变化,滑动变阻器应采用分压式连接。
3、实验电路如图所示,改变滑动变阻器的滑片的位置,从电压表和电流表中读出几组I、U值, 在坐标纸上以I为横坐标,U为纵坐标,用测出的几组I、U值画出U-I图象。
实验器材:
小灯泡(3.8V,0.3A),电压表(0-3V-15V),电流表(0-0.6A-3A),滑动变阻器(20Ω),学生低压直流电源,电键,导线若干,坐标纸、铅笔。
实验步骤:
1、如图所示连结电路安培表外接,滑线变阻器接成分压式。电流表采用0.6A量程,电压表先用0~3V的量程,当电压超过3V时采用15V量程。
2、把变阻器的滑动片移动到一端使小灯泡两端电压为零
3、移动滑动变阻触头位置,测出15组不同的电压值u和电流值I,并将测量数据填入表格。
4、在坐标纸上以u为横轴,以I为纵轴,建立坐标系,在坐标纸上描出各组数据所对应的点。(坐标系纵轴和横轴的标度要适中,以所描图线充分占据整个坐标纸为宜。)将描出的点用平滑的曲线连结起来,就得小灯泡的伏安特性曲线。
4、拆除电路、整理仪器。
注意事项:
1、实验过程中,电压表量程要变更:U<3V时采用0—3V量程,当U>3V时采用0—15V量程。
2、读数时,视线要与刻度盘垂直,力求读数准确。
3、实验中在图线拐弯处要尽量多测几组数据(U/I值发生明显变化处,即曲线拐弯处。此时小灯泡开始发红,也可以先由测绘出的U—I图线,电压为多大时发生拐弯,然后再在这一范围加测几组数据)。
4、在电压接近灯泡额定电压值时,一定要慢慢移动滑动触头。当电压指在额定电压处时,测出电流电压值后,要马上断开电键。
5、画u—I曲线时不要画成折线,而应画成平滑的曲线,对误差较大的点应当舍弃。
实验数据记录和处理: 
相关
高中物理知识点:实验:探究影响导体电阻的因素
1、实验一
通过实验在长度、横截面积、材料三个因素中,保持两个因素不变,比较第三个因素的影响;然后研究另外两个因素的影响。
如图,a 、b、c、d是四条不同的金属导体。在长度、横截面积、材料三个因素方面;b、c、d跟a相比,分别只有一个因素不同;b与a长度不同;c与a横截面积不同;d与a材料不同。

图中四段导体是串联的,每段导体两端的电压与它们的电阻成正比,因此,用电压表分别测量a、b、c、d两端的电压,就能知道它们的电阻之比。
比较a、b的电阻之比与它们的长度之比;比较a、c的电阻之比与它们的横截面积之比;比较a、d的电阻是否相等。这样就可以得出长度、横截面积、材料这三个因素与电阻的关系。改变滑动变阻器滑片的位置,可以获得多组实验数据以得到更可靠的结论。
这个实验得到的是电阻与导线长度、横截面积的比例关系,实验中不必测量电阻大小的数值。
2、实验二:探究导体电阻与材料的关系 选择至少两种不同材料的导体(例如镍铬合金丝和康铜丝),测出它们的长度、横截面积和电阻,利用实验一的等式结论分别计算出等式中的比例系数。
这个比例系数叫做电阻率。
版权声明:本文内容由互联网用户自发贡献,该文观点仅代表作者本人。本站仅提供信息存储空间服务,不拥有所有权,不承担相关法律责任。如发现本站有涉嫌抄袭侵权/违法违规的内容,请发送邮件至 lxy@jiyifa.cn 举报,一经查实,本站将立刻删除。